|
 |
|
|
Modified car application
|
|
|
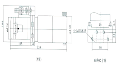
1.LSBZ-Z Ⅱ series (stamped vehicle application)
|
specifications:
| Electric motor |
Pump |
Fuel tank capacity
(L) |
Adjust the
parameters |
Port size |
Installation |
Power
(kw) |
Voltage
(v) |
Speed
(r·p·m) |
Displacement
(cc/r) |
Pressure
(Mpa) |
| 2.2 |
DC 12
DC 24 |
2500 |
2.0 |
0 ~ 21 |
4 |
4.5-5.5 s/100m |
M14*1.5 or According to customer requirement |
Vertical
Horizontal |
|
|
2.LSBZ-Z Ⅳ Y Series (wing drive applications)
specifications:
| Electric motor |
Pump |
Fuel tank capacity
(L) |
Set pressure
(MPa) |
Port size |
Power
(kw) |
Voltage
(v) |
Speed
(r·p·m) |
Displacement
(cc/r) |
Pressure
(Mpa) |
| 2.0 |
DC 24 |
2500 |
1.6 |
25 |
4 |
16 |
M14*1.5
G1/4" |
|
|
3.LSBZ-WB Series (car tail-board applications)
specifications:
| Electric motor |
Pump |
Fuel tank capacity
(L) |
Port size |
Installation |
Power
(kw) |
Voltage
(v) |
Speed
(r·p·m) |
Displacement
(cc/r) |
Pressure
(Mpa) |
1.6
2.0
2.5 |
DC 12
DC 24 |
2500 |
1.6
2.0
2.5 |
0 ~ 16 |
9
12
20 |
M14*1.5
G1/4
G3/8 |
Horizontal |
|
|
4.LSBZ-ZFC series (battery clean car applications)
specifications:
| Electric motor |
Pump |
Fuel tank capacity
(L) |
Port size |
Installation |
Power
(kw) |
Voltage
(v) |
Speed
(r·p·m) |
Displacement
(cc/r) |
Pressure
(Mpa) |
0.8
2.0
2.5 |
DC 12
DC 24
DC 48
DC 60 |
2500 |
3.3 |
0 ~ 16 |
5 ~ 7 |
M14*1.5 |
Horizontal |
|
|
|
|
|
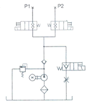
hydraulic power pack,
hydraulic power unit,
hydraulic pump,
hydraulic lift,
hydraulic cylinder,
ram cylinder,
cylinder,
hydraulics,
linear actuator,
solar actuator,
solar tracker,
solar tracker actuator,
satellite actuator,
electric linear actuator,
DC12v linear actuator,
DC24V linear actuator,
ball screw linear actuator |
|