|
 |
|
|
Auto care equipment application
|
|
|
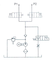
1.LSBZ-QBJ · EZ Series (double-column lift applications)
|
|
|
| |
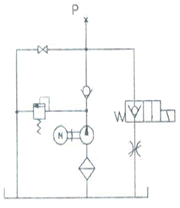
Work principle 1
(electric unloading) |
Work principle 2
(manual uninstall) |
|
specifications:
| Electric motor |
Pump |
Fuel tank capacity
(L) |
Unloading method |
Port size |
Installation |
Power
(kw) |
Voltage
(v) |
Speed
(r·p·m) |
Displacement
(cc/r) |
Pressure
(Mpa) |
1.5
2.2 |
AC 220
AC 380 |
1450
2800 |
2.0
3.3
4.2 |
0 ~ 21 |
8
9
12 |
Manual
Electric |
M14*1.5 ; G3/8 or According to customer requirement |
Vertical |
|
|
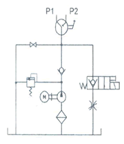
2.LSBZ-QBJ · JS Series (Scissor Lift Application)
|
|
|
| |
Small scissors
hydraulic source works |
Works great source
of hydraulic scissors |
specifications:
| Electric motor |
Pump |
Fuel tank capacity
(L) |
Unloading
method |
Port size |
Installation |
Power
(kw) |
Voltage
(v) |
Speed
(r·p·m) |
Displacement
(cc/r) |
Pressure
(Mpa) |
1.5
2.2 |
AC 220
AC 380 |
1450
2800 |
1.6
2.0
2.5 |
0 ~
31.5 |
7
9
12 |
Manual
Electric |
M14*1.5 ; G3/8 or According to customer requirement |
Vertical
Horizontal |
|
|
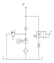
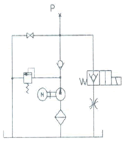
3.LSBZ-QBJ · SZ series (four-post lift applications)
|
|
|
| |
Work principle 1 |
Work principle 2 |
specifications:
| Electric motor |
Pump |
Fuel tank capacity
(L) |
Unloading
method |
Port size |
Installation |
Power
(kw) |
Voltage
(v) |
Speed
(r·p·m) |
Displacement
(cc/r) |
Pressure
(Mpa) |
1.5
2.2 |
AC 220
AC 380 |
1450
2800 |
1.6
2.0
3.3 |
0 ~ 21 |
9
12 |
Manual
Electric |
M14*1.5 ; G3/8 or According to customer requirement |
Vertical |
|
|
4.LSBZ-QBC Series (Tire Application)
specifications:
| Electric motor |
Pump |
Fuel tank
capacity
(L) |
Unloading
method |
Port size |
Installation |
Power
(kw) |
Voltage
(v) |
Speed
(r·p·m) |
Displacement
(cc/r) |
Pressure
(Mpa) |
1.1
1.5 |
AC 220
AC 380 |
1450 |
2.5 |
0 ~ 16 |
9 |
Manual
Electric |
M14*1.5 |
Horizontal |
|
|
|
|
|
hydraulic power pack,
hydraulic power unit,
hydraulic pump,
hydraulic lift,
hydraulic cylinder,
ram cylinder,
cylinder,
hydraulics,
linear actuator,
solar actuator,
solar tracker,
solar tracker actuator,
satellite actuator,
electric linear actuator,
DC12v linear actuator,
DC24V linear actuator,
ball screw linear actuator |
|