|
 |
|
|
Removal and transportation of electric cars application
|
|
|
1.Removal and transportation of electric bucket truck
|
|
|
| |
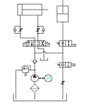
Work principle 1 |
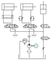
Work principle 2 |
|
specifications:
| Electric motor |
Pump |
Fuel tank capacity
(L) |
Port size |
Installation |
Power
(kw) |
Voltage
(v) |
Displacement
(cc/r) |
Pressure
(Mpa) |
| 2.0 |
DC 24
DC 48
DC 60
DC 72 |
1.6
2.0 |
0 ~ 16 |
4
6
8 |
M14*1.5
G1/4 |
Horizontal |
|
|
2.Electric Qingyun Last dray
specifications:
| Electric motor |
Pump |
Fuel tank capacity
(L) |
Port size |
Installation |
Power
(kw) |
Voltage
(v) |
Displacement
(cc/r) |
Pressure
(Mpa) |
| 2.0 |
DC 24
DC 48
DC 60
DC 72 |
1.6
2.0 |
0 ~ 16 |
3 |
M14*1.5 |
Horizontal |
|
|
3.Electric Qingyun dump truck
specifications:
| Electric motor |
Pump |
Fuel tank capacity
(L) |
Port size |
Installation |
Power
(kw) |
Voltage
(v) |
Displacement
(cc/r) |
Pressure
(Mpa) |
0.8
2.0 |
DC 12
DC 24
DC 36
DC 48
DC 60
DC 72 |
1.6
2.0 |
0 ~ 16 |
1.5
2.5
3
4
6 |
M14*1.5
G1/4
|
Horizontal |
|
|
|
|
|
hydraulic power pack,
hydraulic power unit,
hydraulic pump,
hydraulic lift,
hydraulic cylinder,
ram cylinder,
cylinder,
hydraulics,
linear actuator,
solar actuator,
solar tracker,
solar tracker actuator,
satellite actuator,
electric linear actuator,
DC12v linear actuator,
DC24V linear actuator,
ball screw linear actuator |
|